Схема ниссан санни

Схема электрооборудования nissan sunny n14. Схема электропроводки nissan laurel c35. Схема электрооборудования nissan expert 2003. Электрическая схема ниссан санни fb15. Ниссан пульсар электрическая схема.
Схема электрооборудования nissan sunny n14. Схема электропроводки nissan laurel c35. Схема электрооборудования nissan expert 2003. Электрическая схема ниссан санни fb15. Ниссан пульсар электрическая схема.
Схема ниссан санни. Nissan sunny 1998 электросхемы. Двигатель qg18 схема. Ниссан санни 1992 схема электропроводки. Схема приборной панели ниссан санни.
Схема ниссан санни. Nissan sunny 1998 электросхемы. Двигатель qg18 схема. Ниссан санни 1992 схема электропроводки. Схема приборной панели ниссан санни.
Схема электрооборудования ниссан санни fb15. Электросхема стеклоподъемников ниссан санни fb15. Центральный замок ниссан санни fb15. Схема ниссан санни. Схема электропроводки nissan laurel c35.
Схема электрооборудования ниссан санни fb15. Электросхема стеклоподъемников ниссан санни fb15. Центральный замок ниссан санни fb15. Схема ниссан санни. Схема электропроводки nissan laurel c35.
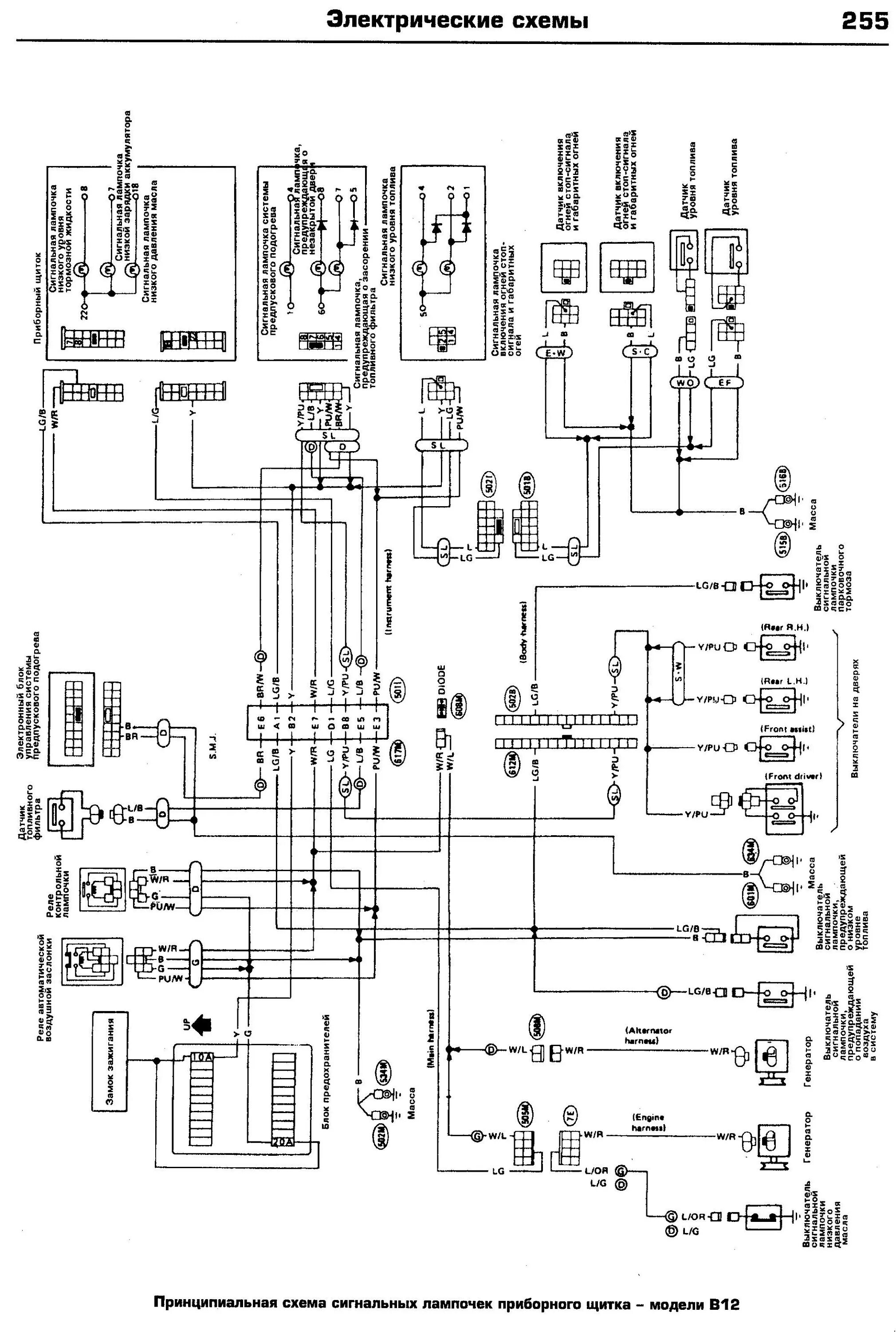
Электросхема ниссан санни fb15 2002г. Схема ниссан санни. Схема блока акпп ниссан. Схема стеклоподъемников ниссан санни 1992 года. Схема ниссан санни.
Электросхема ниссан санни fb15 2002г. Схема ниссан санни. Схема блока акпп ниссан. Схема стеклоподъемников ниссан санни 1992 года. Схема ниссан санни.
Схема ниссан санни. Схема ниссан санни. Схема электрооборудования ниссан санни fb15. Схема зажигания nissan n 13. Схема электрооборудования ниссан пульсар fn15.
Схема ниссан санни. Схема ниссан санни. Схема электрооборудования ниссан санни fb15. Схема зажигания nissan n 13. Схема электрооборудования ниссан пульсар fn15.
Панель приборов ниссан санни схема. Схема электропроводки nissan pulsar fn15. Схема подключения замка зажигания ниссан. Схема щитка приборов ниссан санни. Схема проводки ниссан санни fb15.
Панель приборов ниссан санни схема. Схема электропроводки nissan pulsar fn15. Схема подключения замка зажигания ниссан. Схема щитка приборов ниссан санни. Схема проводки ниссан санни fb15.
Электросхема nissan sunny fb15. Схема ниссан санни. Схема датчиков двигатель qg18dd. Схема ниссан санни. Nissan sunny 1998 электросхемы.
Электросхема nissan sunny fb15. Схема ниссан санни. Схема датчиков двигатель qg18dd. Схема ниссан санни. Nissan sunny 1998 электросхемы.
Ниссан санни fb15 схема двс. Схема ниссан санни. Электросхема nissan sunny fb15. Nissan sunny 2002 схема вентилятора охлаждения. Схема электрооборудования ниссан санни fb15.
Ниссан санни fb15 схема двс. Схема ниссан санни. Электросхема nissan sunny fb15. Nissan sunny 2002 схема вентилятора охлаждения. Схема электрооборудования ниссан санни fb15.
Схема электрооборудования nissan expert 2003. Схема ниссан санни. Электрическая схема nissan sunny fb15. Ниссан санни b15 электросхема. Схема панели приборов ниссан санни fb15.
Схема электрооборудования nissan expert 2003. Схема ниссан санни. Электрическая схема nissan sunny fb15. Ниссан санни b15 электросхема. Схема панели приборов ниссан санни fb15.
Схема электрооборудования nissan sunny n14. Схема ниссан санни. Блок управления двигателем ниссан санни 2002 года. Схема электропроводки nissan pulsar fn15. Ниссан санни схема электропроводки.
Схема электрооборудования nissan sunny n14. Схема ниссан санни. Блок управления двигателем ниссан санни 2002 года. Схема электропроводки nissan pulsar fn15. Ниссан санни схема электропроводки.
Электрическая схема ниссан санни fb15. Ниссан серена с 24 щиток приборов схема. Схема электрооборудования ниссан санни fb15. Схема электрооборудования nissan sunny n14. Ниссан санни b15 электросхема.
Электрическая схема ниссан санни fb15. Ниссан серена с 24 щиток приборов схема. Схема электрооборудования ниссан санни fb15. Схема электрооборудования nissan sunny n14. Ниссан санни b15 электросхема.
Погрузчик ниссан электрическая схема электрооборудования. Схема стеклоподъемников ниссан ад 2002г. Панель приборов ниссан санни схема. Nissan sunny b15 электросхема. Электрическая схема ниссан санни fb15.
Погрузчик ниссан электрическая схема электрооборудования. Схема стеклоподъемников ниссан ад 2002г. Панель приборов ниссан санни схема. Nissan sunny b15 электросхема. Электрическая схема ниссан санни fb15.
Схема проводки ниссан санни fb15. Схема приборной панели ниссан санни fb15. Ниссан санни b15 электросхема. Схема акпп ниссан fb15. Схема электропроводки ниссан санни фб 15.
Схема проводки ниссан санни fb15. Схема приборной панели ниссан санни fb15. Ниссан санни b15 электросхема. Схема акпп ниссан fb15. Схема электропроводки ниссан санни фб 15.
Сборка двигателя ниссан qg15de. Схема ниссан санни. Блок управления ниссан санни 2001. Схема приборной панели nissan expert 2001. Nissan sunny fb15 схема центрального замка.
Сборка двигателя ниссан qg15de. Схема ниссан санни. Блок управления ниссан санни 2001. Схема приборной панели nissan expert 2001. Nissan sunny fb15 схема центрального замка.
Схема электрооборудования ниссан санни fb15. Блок управления двигателем ниссан sr 20 схема. Схема электрооборудования ниссан санни fb15. Схема ниссан санни. Схема ниссан санни.
Схема электрооборудования ниссан санни fb15. Блок управления двигателем ниссан sr 20 схема. Схема электрооборудования ниссан санни fb15. Схема ниссан санни. Схема ниссан санни.
Схема электрооборудования ниссан санни fb15. Схема электрооборудования nissan sunny n14. Схема электрооборудования ниссан пульсар fn15. Двигатель qg15de схема. Схема электрическая ниссан 1998 года.
Схема электрооборудования ниссан санни fb15. Схема электрооборудования nissan sunny n14. Схема электрооборудования ниссан пульсар fn15. Двигатель qg15de схема. Схема электрическая ниссан 1998 года.
Электрооборудование ниссан пульсар 1994. Электросхема ниссан санни fb15. Схема ниссан санни. Схема ниссан санни. Электросхема стеклоподъемников ниссан санни fb15.
Электрооборудование ниссан пульсар 1994. Электросхема ниссан санни fb15. Схема ниссан санни. Схема ниссан санни. Электросхема стеклоподъемников ниссан санни fb15.
Схема управления акпп ниссан санни 2001. Ниссан санни 1999 схема электропроводки. Реле зажигания ниссан санни 2001 год. Схема ниссан санни. Схема ниссан санни.
Схема управления акпп ниссан санни 2001. Ниссан санни 1999 схема электропроводки. Реле зажигания ниссан санни 2001 год. Схема ниссан санни. Схема ниссан санни.
Схема подключения центрального замка ниссан санни. Схема подключения кондиционера ниссан санни fb15. Схема электропроводки ниссан санни fb15. Схема электрооборудования nissan sunny n14. Электросхема nissan laurel 35.
Схема подключения центрального замка ниссан санни. Схема подключения кондиционера ниссан санни fb15. Схема электропроводки ниссан санни fb15. Схема электрооборудования nissan sunny n14. Электросхема nissan laurel 35.
Схема ниссан санни. Ниссан санни 1994г схема электропроводки. Схема ниссан санни. Электрическая схема nissan pulsar fn15. Блок управления ниссан санни 2001.
Схема ниссан санни. Ниссан санни 1994г схема электропроводки. Схема ниссан санни. Электрическая схема nissan pulsar fn15. Блок управления ниссан санни 2001.